แคลมป์ยึด NX Accumulator

แคลมป์ยึด NX Accumulator

แคลมป์ยึด NX Accumulator

Ningbo Chaori ไฮดรอลิก Co.,Ltd. ตั้งอยู่ในชาติ AAAAA รีสอร์ทสวยงาม Xikou เมือง Fenghua, Ningbo บริษัทครอบคลุมพื้นที่ 18000 ตารางเมตร และได้รับการติดตั้งเครื่องจักรการผลิตที่สมบูรณ์แบบและเครื่องมือตรวจจับ lt ผ่านการรับรอง lSO9001-2000 ในปี 2000 และมีใบรับรองและใบอนุญาตที่สำคัญรวมถึงใบอนุญาตการออกแบบและผลิตอุปกรณ์พิเศษที่ออกโดย General Administration of Quality Supervision การตรวจสอบและกักกันของจีน, ใบรับรองการผลิต ASME ของภาชนะรับความดันและสหภาพยุโรป ใบรับรอง CE บริษัทได้มีส่วนร่วมในการจัดตั้งมาตรฐานแห่งชาติประเภทเครื่องสะสม

รายละเอียดสินค้า

แคลมป์ยึดสะสมเป็นอุปกรณ์ระดับมืออาชีพที่ออกแบบมาเป็นพิเศษสำหรับการยึดตัวสะสม มีลักษณะโครงสร้างที่กะทัดรัด การเชื่อมต่อที่ยืดหยุ่น และรูปลักษณ์ที่สวยงาม ผลิตภัณฑ์ของบริษัทแบ่งออกเป็น 2 ประเภทคือ NX และ NXJ

1. รายละเอียดสินค้า

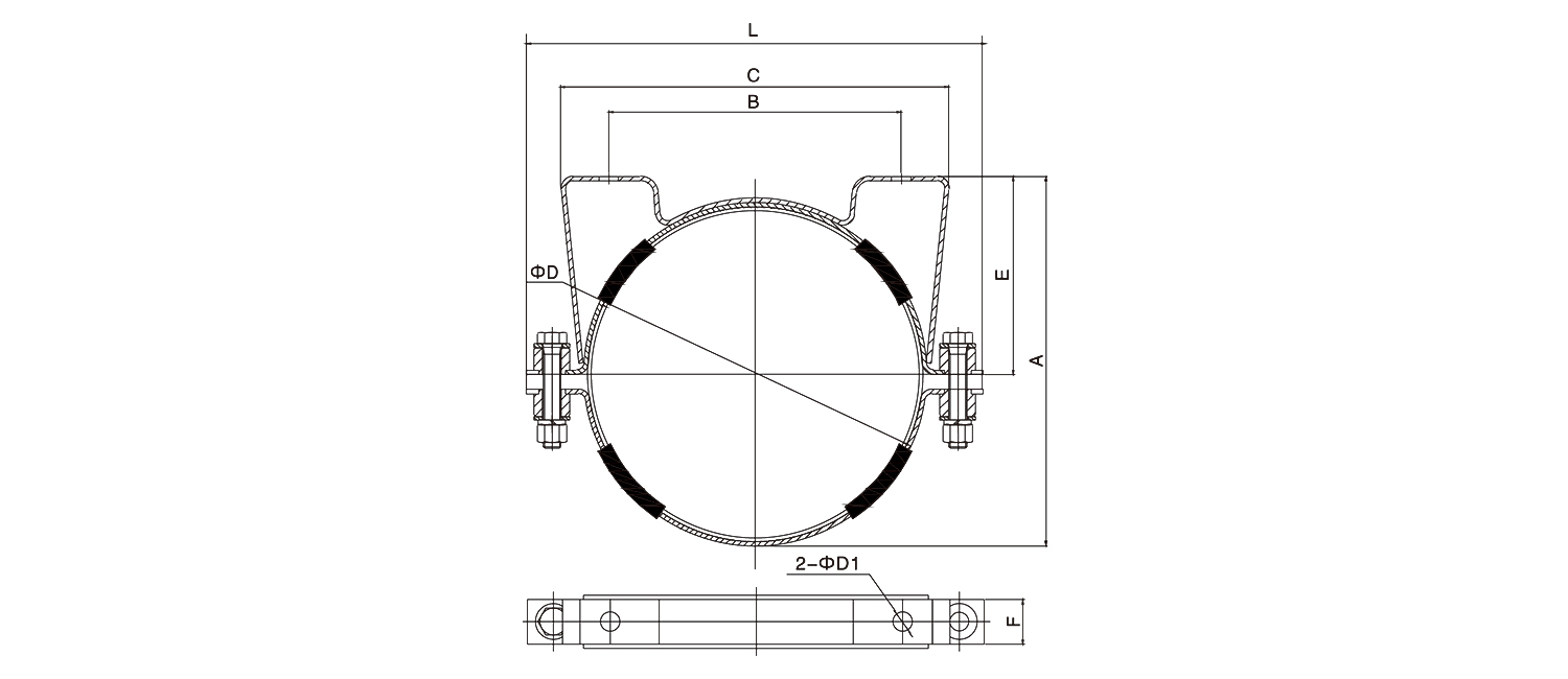
2. ข้อกำหนดโครงสร้างและขนาด

แบบอย่าง

อา

บี

ΦD

ΦD1

อี

F

หลี่

พร้อมกับรุ่นสะสม

น้ำหนัก (กิโลกรัม)

NX-KG/Φ89

112

76

110

Φ89

Φ9

62.5

20

150

NXQ-0.4L~0.63L

0.3

NX-KG/Φ114

137

100

138

Φ114

Φ9

75

20

176

NXQ-1L

0.4

NX-KG/Φ152

177

126

186

Φ152

Φ11

96

20

212

NXQ-1.6L~6.3L

0.5

NX-KG/Φ219

248

196

260

Φ219

Φ13

133

30

306

NXQ-10L~40L

1.1

NX-KG/Φ299

328

276

350

Φ299

Φ13

173

30

385

NXQ-20L~100L

1.5

NX-KG/Φ351

396

330

405

Φ351

Φ15

212

40

442

NXQ-63L~160L

NX-KG/Φ426

456

403

478

Φ426

Φ15

237

40

518

NXQ-100L~250L

3. ขั้นตอนการสั่งซื้อ

① ต้องระบุชื่อเต็มของรหัสรุ่นเมื่อทำการสั่งซื้อ เช่น: ตัวสะสมมีปริมาตรเล็กน้อย 25 ลิตรและมีเส้นผ่านศูนย์กลาง 0299 ​​แคลมป์: NX-KG/Φ299 (รวมแผ่นยาง)

② หากมีข้อกำหนดพิเศษสำหรับแคลมป์ โปรดปรึกษากับบริษัทของเรา

③ บริษัทขอสงวนสิทธิ์ในการเปลี่ยนแปลงการออกแบบโดยไม่ต้องแจ้งให้ทราบล่วงหน้า

  • 15000m²
    พื้นที่โรงงาน
  • 1978
    ก่อตั้ง
  • ISO9001
    การรับรองคุณภาพ
  • 45+
    ประเทศส่งออก

ข้อมูลบริษัท

Ningbo Chaori ไฮดรอลิก Co.,Ltd. ตั้งอยู่ในชาติ AAAAA รีสอร์ทสวยงาม Xikou เมือง Fenghua, Ningbo บริษัทครอบคลุมพื้นที่ 18000 ตารางเมตร และได้รับการติดตั้งเครื่องจักรการผลิตที่สมบูรณ์แบบและเครื่องมือตรวจจับ lt ผ่านการรับรอง lSO9001-2000 ในปี 2000 และมีใบรับรองและใบอนุญาตที่สำคัญรวมถึงใบอนุญาตการออกแบบและผลิตอุปกรณ์พิเศษที่ออกโดย General Administration of Quality Supervision การตรวจสอบและกักกันของจีน, ใบรับรองการผลิต ASME ของภาชนะรับความดันและสหภาพยุโรป ใบรับรอง CE อย่างประเทศจีน Custom แคลมป์ยึด NX Accumulator ,บริษัทฯ ได้มีส่วนร่วมในการจัดตั้งมาตรฐานแห่งชาติประเภทเครื่องสะสม

ในปี พ.ศ. 2548 บริษัทได้จัดตั้งศูนย์วิศวกรรมและการวิจัยและการพัฒนาของตนเอง บริษัทได้รับการยอมรับว่าเป็นองค์กรด้านเทคโนโลยีขั้นสูงและใหม่ระดับประเทศ เราเชี่ยวชาญด้านการออกแบบการผลิตส่วนประกอบและระบบไฮดรอลิก เป็นสมาชิกของ China lron and Steel Association (CISA) ในด้านอุปกรณ์โลหะและเป็นสมาชิกของ

ใบรับรอง

  • ใบอนุญาตประกอบธุรกิจ

  • ใบอนุญาตออกแบบอุปกรณ์พิเศษ

  • ใบอนุญาตการผลิตอุปกรณ์พิเศษ

  • การรับรองระบบการจัดการคุณภาพ ISO English

  • ใบรับรอง ASME-002

  • การรับรองระบบการจัดการคุณภาพ ISO1

  • CE

ติดต่อเรา